精密壓力表,軸向前帶邊
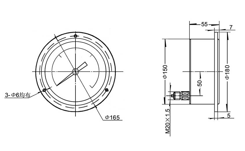
軸向前帶邊精密壓力表是一種嵌裝式壓力表,儀表前部帶有安裝環(huán),由軸向引出接口的精密壓力表,常稱謂:軸向前帶邊精密壓力表。多用于在控制面板上安裝使用,標配接口螺紋M20×1.5,其它接口螺紋可定制。精度等級可提供0.4級、0.25級。這種形式是精密壓力表的嵌裝結(jié)構(gòu)形式,是可選的安裝結(jié)構(gòu)形式。
本頁一并向您提供兩幅圖片,一是軸向嵌裝式精密壓力表外觀照片,一是軸向嵌裝式精密壓力表尺寸圖。
軸向前帶邊精密壓力表
Shaft forward band edge precision pressure meter
軸向前帶邊精密壓力表尺寸
Shaft forward band edge precision pressure meter Size chart

前帶邊精密壓力表尺寸圖