精密壓力表,軸向直接安裝式
一種直接安裝式軸向精密壓力表,儀表由軸向引出接口,軸向不帶邊精密壓力表。多用于在線特定空間安裝使用,標配接口螺紋M20×1.5,其它接口螺紋可定制。精度等級可提供0.4級、0.25級。這種軸向結構形式,是一種可選的安裝結構形式。
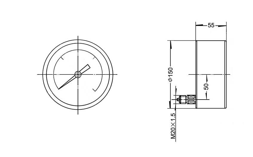
本頁向您提供兩幅圖片,一幅是軸向精密壓力表外觀照片,一幅是軸向精密壓力表尺寸圖。
軸向精密壓力表
The axial precision pressure meter
軸向精密壓力表尺寸
The axial precision pressure gauge size
