精密壓力表,徑向后帶邊
徑向后帶邊精密壓力表是一種凸裝式壓力表,儀表后部帶有安裝環,由徑向引出接口的精密壓力表,也稱謂:徑向后帶邊精密壓力表。多用于在控制面板上安裝使用,標配接口螺紋M20×1.5,其它接口螺紋可定制。精度等級可提供0.4級、0.25級。這種形式是精密壓力表的凸裝結構形式,是可選的安裝結構形式。
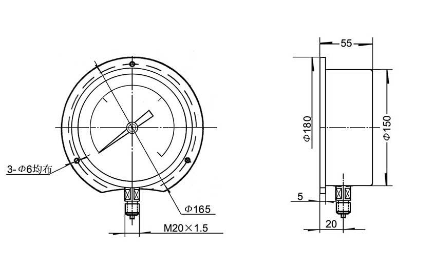
本頁一并向您了徑向后帶邊精密壓力表外觀照片和徑向后帶邊精密壓力表尺寸圖。
徑向后帶邊精密壓力表
Projecting radially mounted precision pressure meter
徑向后帶邊精密壓力表尺寸圖
Projecting radially mounted precision pressure meter Size chart

后帶邊精密壓力表尺寸圖